服務熱線:15195518515在線客服:1464856260
傳真號碼:0517-86801009
郵箱號碼:1464856260@qq.com
網 址:http://www.bjtyj.com.cn
地 址:江蘇省金湖縣理士大道61號
如何將兩段或多段磁翻板液位計的顯示成一個液位的設計方案
摘要:根據現場設備、環境等因素的影響,現場需裝兩臺遠傳加磁翻板液位計方能滿足測量液位的使用,且兩臺磁磁翻板液位計有交叉顯示部分,而要通過邏輯計算來顯示成一個液位測量值來控制。用兩段遠傳磁致伸縮液位計的4-20mA信號送入DCS,通過DCS系統的計算而顯示一個液位控制點。設計結果表明,不僅方便了操作人員控制,也避免在現有的液位法蘭進行改造,保證了安全性能,系統安裝使用方便。
隨著工業生產的迅猛發展,高新技術在各行業中得到了廣泛的應用,高科技含量的自動化儀表不斷更新換代,各種液位計應用于不同儲罐的液位測量。液位測量是保證了反應物料之間處于一個動態的平衡,如果液位測量過程中出現異常,液位測量儀表會及時報警。目前,主要液位測量儀表有超聲波液位測量、差壓液位測量、雷達液位測量、直接式液位測量等。液位測量數據越來越可靠,液位測量儀表正朝著高精度、多用途、低能耗、智能化的方向發展。針對一些比較特殊的大型設備不僅要裝有遠傳的液位計,為安全考慮要求,現場必須配備遠傳和現場顯示一體的磁翻板液位計。大型設備安裝較長的液位計弊端很多:液位計太長運輸不方便、液位計的支撐很麻煩、維修維護起來很麻煩、遇到震動比較大的場合安裝不合適等。一般情況采用安裝兩段或多段液位計的方式進行測量,這樣將大大降低了安裝和維修的難度,但是如何將采集兩段或多段遠傳液位信號集中控制一個調節回路?如何將兩段或多段遠傳液位計的顯示成一個液位值來供人員操作或供調節回路控制?這些問題值得探討。
1 整體設計方案

如圖 1 由于液位計受設備口的約束,將原有兩段現場翻板液拆除,為了方便工藝人員操作控制,將原有普通磁翻板液位計更換為兩段帶遠傳磁翻板液位計(遠傳部分變為磁致伸縮液位計,因為磁致伸縮液位就可以4-20mA輸出,精度更高),將兩段液位遠傳 4-20mA 信號傳至 DCS 內的兩個通道進行顯示,然后通過計算機邏輯運算,將兩個液位計各自的液位實際顯示值,通過邏輯計算來正確選擇其中的哪一個液位計應該來輸出顯示,從而得出一個*終的液位顯示值。下部液位的氣相口和上部液位的液相口互相有重疊,如何能更好的直觀的顯示液位值,方便于工藝人員操作和液位調節回路控制,便將下部液位計實際顯示的百分比信號+上部液位計實際顯示的百分比信號=實際顯示的*終液位百分比。兩個液位計液位顯示值將通過DCS內部計算來完成*終液位顯示結果。
2 磁致伸縮液位計的結構特點及其工作原理
2.1 磁致伸縮液位計的構成
磁致伸縮式液位計是一種可對動態系統中的連續液位、界面進行測量,并提供用于監視和控制模擬信號輸出的高精度測量儀表,由360°內磁浮子、傳感器(壓磁傳感器和磁致傳感管)、塑封全智能化電子裝置組成。液位計的核心部分是由一定的磁致伸縮物質構成的波導管。
2.2 液位計的工作原理
磁致伸縮液位計的傳感器工作時,傳感器的電路部分將在波導絲上激勵出脈沖電流,該電流沿波導絲傳播時會在波導絲的周圍產生脈沖電流磁場。在磁致伸縮液位計的傳感器測桿外配有一浮子,此浮子可以沿測桿隨液位的變化而上下移動。在浮子內部有一組永久磁環。當脈沖電流磁場與浮子產生的磁環磁場相遇時,浮子周圍的磁場發生改變從而使得有磁致伸縮材料做成的波導絲在浮子所在的位置產生一個扭轉波脈沖,這個脈沖以固定的速度沿波導絲傳回并由檢出機構檢出。通過測量脈沖電流與扭轉波的時間差可以精確地確定浮子所在的位置,即液面的位置。
其優點表現在如下方面。
(1)可靠性強。
(2)精度高。
(3)耐高溫。
(4)耐高壓。
(5)易于安裝和維護簡單。
(6)便于系統自動化工作。
3 DCS內部計算
計算機自動控制系統主要是運用計算機在數據采集中的應用和計算,現場液位計的測量數據輸出標準信號到 DCS 計算機模塊處理,處理器將收集到的液位信號,通過特定的程序計算來實現所要的計算結果,在實際的生產過程中,處理器就要對生產環節、規格及數據進行實時檢測,并且存儲檢測到的數據,之后利用實際生產過程中的數據變化進行分析,將分析得到的結果提供給相應的操作人員,從而提高操作人員的工作效率和安全穩定運行 。
3.1 計算原理
見圖2、圖3。


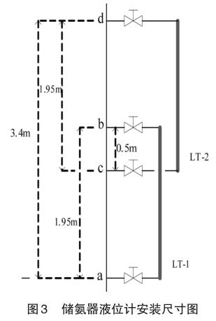
如圖 3 液位計 LT-1 的液相 a 和氣相 b 的距離為1.95m;液位計LT-2的液相c和氣相d的距離為 1.95m;LT-1 液位的氣相口 b 和 LT-2 液位的液相口 c 的距離為 0.5m;當 LT-1 實際液位到達LT-2液位的液相口c位時,LT-1液位計的信號不輸出,將由上部液位計 LT-2 來顯示工作,信號也有LT-2液位計*終輸出。
3.2 數據庫中量程值的修改
如圖3將LT-1液位計的總高度1.95m,占儲氨罐 a 點到 d 點 3.4m 的 57%;而 LT-2 液位計的總高度1.95m,占儲氨罐a到d點3.4m的57%;所以要將軟件數據庫內的量程值對應修改為:LT1量程下限:0%、量程上限 57%;LT2 量程下限:0%、量程上限57%。
說明:量程上限值一定不能是 100%,否者兩段液位*終計算出來的液位顯示值將超出100%的范圍。
3.3 邏輯控制部分的說明
見圖4。

在數據庫修改的基礎上,LT-2液位液相口c 到 LT-1 液位氣相口 b 點交叉部位距離為0.5m,當 LT-1 液 位 計 實 際 到 c 點 時, 也 就 是1.45m(43%)的情況下,液位計 LT-1 信號不輸出,跳轉到液位計 LT-2 信號來顯示,程序中要在LT-2顯示值加上常數43%(下部液位高度),將會顯示*終的實際液位。
4 系統性能測試
通過在實際生產過程中的使用,液位計測量準確成績顯著,經過程序計算后的液位顯示值誤差控制在 1%,輸出顯示值運行穩定,未出現異常故障,這種計算方法不但減輕了操作人員繁瑣的計算過程,而且應對帶控制回路的液位測量更加適用。
5 結語
由于受設備本身結構的影響,很多設備及大型設備都裝有兩段或多段的液位計,并且每兩段液位計之間法蘭口還有重疊部位,這樣使操作人員觀察液位顯示值很不直觀,安裝液位計很不方便而且測量誤差很大,這樣液位的信號不能直觀的顯示,致使調節回路不能自動控制。因此,便可通過上述計算方法進行直觀液位顯示、測量和回路控制。



|